长期合作更可享受相应额度信用优惠!
生活污水是指城市机关、学校和居民在日常生活中产生的废水,包括厕所粪尿、洗衣洗澡水、厨房等家庭排水以及商业、医院和游乐场所的排水等。污水中含有大量有机物,如纤维素、淀粉、糖类和脂肪蛋白质等,也常含有病原菌、病毒和寄生虫卵,无机盐类的氯化物、硫酸盐、磷酸盐、碳酸氢盐和钠、钾、钙、镁等,总的特点是含氮、含硫和含磷高,在厌氧细菌作用下,易生恶臭物质。

设备组成
生活污水处理设备,主要用来处理一家一户或楼房排放的生活污水,是一种分散式污水处理设施,也可用于处理楼房,住宅小区的生活污水。小型生活污水处理器可以在工厂进行批量预制生产,适合于农村的各种地形进行安装,而且经过处理的水可以就地直接排放水体。
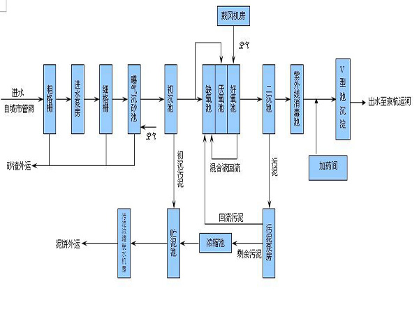
设备采用常规的“调节池+A/A/O生物接触氧化+沉淀+MBR膜+清水池+消毒”工艺,该处理工艺较为简单,操作运行方便,日常费用低廉,出水稳定,主要设备为钢结构,考虑到周边环境和卫生问题,故该污水处理工程采用全埋地式结构,上部覆土,种植花木、草坪,进一步美化环境。

工艺特点
生活废水处理设备采用的生物处理工艺,具有技术性能可靠,处理效果好,投资省,自动化运行,操作方便,不表面积,不需盖房,不需采暖保温等优点。本设备可设置成地埋式,地面之上可种花种草,不影响周围。

设备特点
(1)、设备采用的是容积小于20m3的箱体,整体可在工厂进行批量预制生产,成本低,其容积能够满足家庭的污水处理量,价格可维持在家庭用户可以接受的水准,并且只占用很小一块土地,不需要繁杂的土地征收手续和昂贵的土地征用费。
(2)、安装场地几乎不受地形的影响,而且安装时间短,成效快。基本上安装本实用新型的小型生活污水处理器只需要停一辆小轿车大小的土地,连接净化槽出水管道很短,对安装地的地形要求也不高,安装一台小型生活污水处理器一般只需要一周左右就可开始运行,其污水处理的功能立即可以得到发挥。
(3)、处理后的水质可补充生活小区周边水体的水量。经小型生活污水处理器处理后的一般就近排放到附近的小沟渠,这对维护周边水系的水量,增强生活小区内的水循环,以及周围的自然景观都具很大的作用。
(4)、主要是用来处理家庭污水的,它的处理水和污泥基本上不含有毒物质,可以根据不同的需要,对小型生活污水处理器的处理水和污泥可进行资源化利用。
(5)、具有比较强的抗震和抗灾性能,由于不需要大量的机械,其排水系统也比较简单,所以在受到地震或其它灾害受到损害时,可以在很短的时间内得到修复和发挥作用。

长期合作更可享受相应额度信用优惠!
销售一部:
闫经理 135-7360-6181
销售二部:
王经理 153-1536-6588
售后服务:
陈工 156-1566-2869
客服电话:
赵经理 152-6961-1116
咨询服务热线:
400-012-6136